產品名稱:CH-QS 橋式稱重傳感器
產品特點:CH-QS橋式稱重傳感器采用鋼球、壓頭結構可自動復位和調心。高精度、高可靠性、穩(wěn)定性好;安裝方便、互換性好。有良好的防潮密封,適應惡劣工作環(huán)境??捎糜诘匕酢⑵嚭獾戎亓?、力值測量的各個領域。
量程:100kN(10t)、200kN(20t)、300kN(30t)、400kN(40t)、500kN(50t)
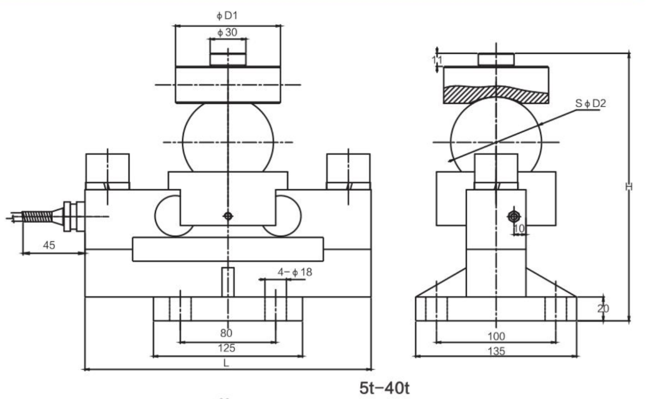
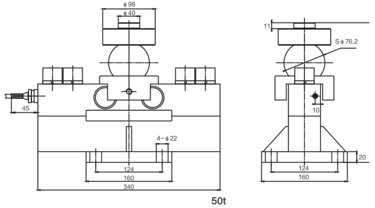
外形尺寸:
|
量程(kN) |
量程(t) |
|
D1 |
D2 |
H |
L |
|
50 |
5 |
mm |
68 |
50.8 |
168.8 |
224 |
|
100-300 |
10-30 |
mm |
85-88 |
76.2 |
224.7 |
240 |
|
400 |
40 |
mm |
88 |
76.2 |
230.7 |
240 |
技術參數:
|
技術參數 |
|
|
|
|
額定輸出 |
2.0mV/V±0.1% |
輸入阻抗 |
780±10Ω |
|
非線性 |
±1%F.S |
輸出阻抗 |
701±2Ω |
|
滯后性 |
<±0.2%F.S |
絕緣電阻 |
≥5000MΩ |
|
重復性 |
<±0.05%F.S |
允許激勵電壓 |
5~15V/DC |
|
蠕變 |
<±0.2%F.S/30min |
補償溫度范圍 |
-10℃~+40℃ |
|
零點溫度影響 |
<±0.02%/10℃ |
工作溫度范圍 |
-30℃~+70℃ |
|
輸出溫度影響 |
<±0.02%/10℃ |
安全過載 |
120%F.S |
|
零點平衡 |
<±1%F.S |
極限過載 |
150%F.S |
|
接線方式 |
激勵:+紅 -黑 信號:+綠 -白 屏蔽:黃 |
||






全國服務熱線







15621850939
2370849295@qq.com
2370849295
山東省濟南市市中區(qū)二環(huán)西路大廟屯工業(yè)園